Le produit est d’une qualité supérieure qui établit une nouvelle norme dans l’industrie.
Description du produit
Code de commande du moteur fixe à pistons axiaux CJ-A2FM
Données techniques du moteur à pistons axiaux fixes CJ-A2FM
Joint d'arbre… Charge de pression admissible
La durée de vie du joint d'arbre est influencée par la vitesse de l'unité à pistons axiaux et par la pression de vidange du carter (pression du carter).
La pression différentielle moyenne de 2 bars entre le boîtier et la pression ambiante ne doit pas être durablement dépassée en conditions normales.
température de fonctionnement.
Pour une pression différentielle plus élevée à vitesse réduite, voir le schéma.
Des pics de pression momentanés (t < 0,1 s) allant jusqu'à 10 bar sont autorisés. La durée de vie du joint d'arbre diminue avec
augmentation de la fréquence des pics de pression.
La pression du boîtier doit être égale ou supérieure à la pression ambiante.
Plage de température
Le joint d'arbre FKM peut être utilisé pour des températures de vidange de boîtier de -25 °C à +115 °C
Pour les applications inférieures à -25 °C, un joint d'arbre en NBR est requis (plage de température admissible de -40 °C à +90 °C). Indiquer NBR.
Joint d'arbre en texte clair lors de la commande. Veuillez nous contacter.
Sens du flux
| Sens de rotation, vu sur l'arbre de transmission | Sens du flux |
| dans le sens des aiguilles d'une montre (R) | A → B |
| sens inverse des aiguilles d'une montre (L) | B → A |
| Tailles | 250 | 355 | 500 |
| qv chasse d'eau (l/min) | 10 | 16 | 16 |
| Ports | Port pour | Diagramme |
A, B T | Port de travail Orifice de vidange |
| Ports | Port pour | Standard | Taille 3) | P Max [bar] 4) | État 8) |
| A , B | Port de travail | voir les plaques de port | 450 | ||
| T 1 | Orifice de vidange | DIN 3852 5) | M18 x 1,5 profondeur 12 | 3 | X 7) |
| T 2 | Orifice de vidange | DIN 3852 5) | M18 x 1,5 profondeur 12 | 3 | O 7) |
Note
1) Au collier d'arbre
2) Alésage central selon DIN 332 (filetage selon DIN 13)
3) Pour les couples de serrage maximum, les instructions générales doivent être respectées.
4) Des pics de pression momentanés peuvent survenir selon l'application. Tenez-en compte lors du choix des appareils de mesure et des raccords.
5) La face laminée peut être plus profonde que celle spécifiée dans la norme appropriée
7) Selon la position d'installation, T1 ou T2 doit être connecté
8) O = Doit être connecté (branché à la livraison) X = branché (en fonctionnement normal)
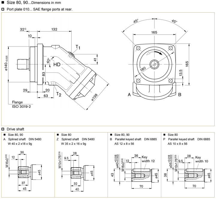
| Plaque | Ports | Port pour | Standard | Taille 1) | P Max [bar] 2) | État 5) |
| 01, 02, 10 | A , B | Port de travail Fil de fixation | SAE J518 4) DIN 13 | 3/4” M10 x 1,5 profondeur 17 | 450 | O |
Note
1) Pour les couples de serrage maximum, les instructions générales doivent être respectées.
2) Des pics de pression momentanés peuvent survenir selon l'application. Tenez-en compte lors du choix des appareils de mesure et des raccords.
4) Seules les dimensions selon SAE J518, le filetage de fixation métrique constitue un écart par rapport à la norme.
5) O = Doit être connecté (branché à la livraison) X = branché (en fonctionnement normal)
Dimensions de la vanne de rinçage et de surpression en mm
Dimensions de la soupape de décharge de pression en mm
| Taille | Code | D1 | D2 | D3 | D4 | D5 | D6 | D7 | D8 | D9 | D10 | D11 | D12 | D132) |
| 28 , 32 | MHDB16 | 209 | 186 | 25 | 68 | 174 | 102 | 87 | 36 | 66 | 50.8 | 23.8 | Φ19 | M10 profondeur 17 |
| 45 | MHDB16 | 222 | 198 | 22 | 65 | 187 | 113 | 98 | 36 | 66 | 50.8 | 23.8 | Φ19 | M10 profondeur 17 |
| 56 , 63 | MHDB22 | 250 | 222 | 19 | 61 | 208 | 124 | 105 | 42 | 75 | 50.8 | 23.8 | Φ19 | M10 profondeur 13 |
| 80 , 90 | MHDB22 | 271 | 243 | 17.5 | 59 | 229 | 134 | 114 | 42 | 75 | 57.2 | 27.8 | Φ25 | M12 profondeur 18 |
| 107 , 125 | MHDB32 | 298 | 266 | 10 | 52 | 250 | 149.5 | 130 | 53 | 84 | 66.7 | 31.8 | Φ32 | M14 profondeur 19 |
| 160 , 180 | MHDB32 | 332 | 301 | 5 | 47 | 285 | 170 | 149 | 53 | 84 | 66.7 | 31.8 | Φ32 | M14 profondeur 19 |
| Taille | Port A, B | S11) | M A, M B1) | P St1) | |
| 28 , 32 | 3/4” | M22 x 1,5 profondeur 14 | M20 x 1,5 profondeur 14 | G1/4” | Instructions de montage pour plaque de port avec dispositif de surpression "192"Le contre-écrou doit être contre-tendu lors de l'installation de la conduite hydraulique au port pst |
| 45 | 3/4” | M22 x 1,5 profondeur 14 | M20 x 1,5 profondeur 14 | G1/4” | |
| 56 , 63 | 3/4” | M26 x 1,5 profondeur 16 | M26 x 1,5 profondeur 16 | G1/4” | |
| 80 , 90 | 1” | M26 x 1,5 profondeur 16 | M26 x 1,5 profondeur 16 | G1/4” | |
| 107 , 125 | 1- 1/4” | M26 x 1,5 profondeur 16 | M26 x 1,5 profondeur 16 | G1/4” | |
| 160 , 180 | 1- 1/4” | M26 x 1,5 profondeur 16 | M30 x 1,5 profondeur 16 | G1/4” |
| Ports | Port pour | Standard | Taille 1) | P Max [bar] 2) | État 3) |
| A , B | Port de travail | SAE J518 | Voir ci-dessus | 450 | O |
| S1 | Port d'alimentation (uniquement avec plaque de port 191/192) | DIN 3852 | Voir ci-dessus | 5 | O |
| M.A., M.B. | Port de mesure de la pression de fonctionnement | DIN 3852 | Voir ci-dessus | 450 | X |
| TVP | Orifice de pression pilote (uniquement avec plaque de port 192) | DIN 3852 | Voir ci-dessus | 30 | O |
Vanne d'équilibrage BVD et BVE
Les vannes d'équilibrage de déplacement/treuil sont conçues pour réduire le risque de survitesse et de cavitation des moteurs à pistons axiaux dans les circuits ouverts.
La cavitation se produit si la vitesse du moteur est supérieure à ce qu'elle devrait être pour le débit d'entrée donné lors du freinage, de la descente ou de l'abaissement d'une charge.
Si la pression d'admission chute, le tiroir d'équilibrage étrangle le flux de retour et freine le moteur jusqu'à ce que la pression d'admission revienne à environ 20 bars
BVD disponible pour les tailles 28 à 180 et BVE disponible pour les tailles 107 à 180.
La vanne d'équilibrage doit être commandée séparément. Nous recommandons de commander la vanne d'équilibrage et le moteur ensemble.
Note
Exemple de commande
A2FM90/61W–VAB188 + BVD20F27S/41B–V03K16D0400S12
La valve d'équilibrage ne remplace pas le frein de service mécanique et le frein de stationnement.
Respecter les notes détaillées sur la vanne d'équilibrage BVD et la vanne d'équilibrage BVE
Pour la conception de la soupape de desserrage du frein, il faut connaître pour le frein de stationnement mécanique la pression au début de l'ouverture
Le volume du tiroir d'équilibrage entre la course minimale (frein fermé) et la course maximale (frein relâché à 21 bars)
Le temps de fermeture requis pour un appareil chaud (viscosité de l'huile environ 15 mm2/s)
Données techniques
Débit ou pression d'entrée admissible en fonctionnement avec DBV et BVD/BE
| Moteur | Sans valve | Valeurs restreintes en opération avec DBV | Valeurs restreintes dans fonctionnement avec BVD/BVE | |||||||
| CJ-A2FM | Pnom/Pmax | qv max | DBV | Pnom/Pmax | qv max | Plaque | BVD/BVE | Pnom/Pmax | qv max | Plaque |
| Taille | bar | l/min | taille | bar | l/min | Code | taille | bar | 1/min | Code |
| 28 | 400/450 | 176 | 16 | 350/420 | 100 | 181 191 , 192 | 20 BVD | 350/420 | 100 | 188 |
| 32 | 201 | |||||||||
| 45 | 255 | |||||||||
| 56 | 280 | 22 | 240 | 220 | ||||||
| 63 | 315 | |||||||||
| 80 | 360 | |||||||||
| 90 | 405 | |||||||||
| 107 | 427 | 171 ,191 , 192 | 178 | |||||||
| 125 | 500 | |||||||||
| 107 | 427 | 32 | 400 | 181,191 , 192 | 25 BVD/BVE | 320 | 188 | |||
| CJ-A2FM | Valve d'équilibrage | Dimensions en mm | ||||||||
| Taille | Taper | Port A, B | B1 | B2 | B3 | B4(S) | B4(L) | B5 | B6 | B7 |
| 28 , 32 | BVD20 … 16 | 3/4” | 209 | 175 | 174 | 142 | 147 | 139 | 98 | 66 |
| 45 | BVD20 … 16 | 3/4” | 222 | 196 | 187 | 142 | 147 | 139 | 98 | 66 |
| 56 , 63 | BVD20 … 17 | 3/4” | 250 | 197 | 208 | 142 | 147 | 139 | 98 | 75 |
| 80 , 90 | BVD20 …27 | 1” | 271 | 207 | 229 | 142 | 147 | 139 | 98 | 75 |
| 107 , 125 | BVD20 …28 | 1” | 298 | 238 | 251 | 142 | 147 | 139 | 98 | 84 |
| 107 , 125 | BVD25 …38 | 1- 1/4” | 298 | 239 | 251 | 158 | 163 | 175 | 120.5 | 84 |
| 160 , 180 | BVD25 …38 | 1- 1/4” | 332 | 260 | 285 | 158 | 163 | 175 | 120.5 | 84 |
| 107 , 125 | BVE25 … 38 | 1- 1/4” | 298 | 240 | 251 | 167 | 172 | 214 | 137 | 84 |
| 160 , 180 | BVE25 … 38 | 1- 1/4” | 332 | 260 | 285 | 167 | 172 | 214 | 137 | 84 |
| 250 | Sur demande | |||||||||
| Ports | Port pour la version | Standard | Taille 1) | P Max [bar] 2) | État4) |
| A , B | Port de travail | SAE J518 | Voir ci-dessus | 420 | O |
| S | BVD20, BVD25, BVE25 | DIN 3852 3) | M22 x 1,5 profondeur 14 | 30 | X |
| DIN 3852 3) | M27 x 2 profond 16 | 30 | X | ||
| Br | Desserrage des freins, réduction de la haute pression L | DIN 3852 3) | M12 x 1,5 profondeur 12,5 | 30 | O |
| Gext | Déblocage des freins, haute pression S | DIN 3852 3) | M12 x 1,5 profondeur 12,5 | 420 | X |
| M.A., M.B. | Mesure de la pression A, B | ISO 6149 3) | M12 x 1,5 profondeur 12 | 420 | X |
Note
1) Pour les couples de serrage maximum, les instructions générales doivent être respectées.
2) Des pics de pression momentanés peuvent survenir selon l'application. Tenez-en compte lors du choix des appareils de mesure et des raccords.
3) La face laminée peut être plus profonde que celle spécifiée dans la norme appropriée
4) O = Doit être connecté (branché à la livraison) X = branché (en fonctionnement normal)
Informations techniques
fluide hydraulique
Avant de commencer la planification du projet, veuillez vous référer à nos fiches techniques sur les huiles minérales et les fluides hydrauliques respectueux de l'environnement pour obtenir des informations détaillées sur le choix du fluide hydraulique et les conditions d'application.
Lors de l'utilisation de fluides hydrauliques respectueux de l'environnement, les limitations concernant les données techniques et les joints doivent être respectées.
Veuillez nous contacter. Lors de votre commande, veuillez indiquer le fluide hydraulique à utiliser.
Notes sur le choix du fluide hydraulique
Afin de sélectionner le bon fluide hydraulique, il est nécessaire de connaître la température de fonctionnement dans le réservoir (circuit ouvert) par rapport à la température ambiante.
Le fluide hydraulique doit être choisi de manière à ce que sa viscosité se situe dans la plage de température de fonctionnement optimale (nopt), voir la partie grisée du diagramme de sélection. Dans tous les cas, nous recommandons de choisir le grade de viscosité le plus élevé.
Exemple : à une température ambiante de X °C, la température de fonctionnement est de 60 °C. Dans la plage de viscosité de fonctionnement optimale (Vopt ; zone grisée), cela correspond aux grades de viscosité VG 46 et VG 68 ; il est conseillé de choisir VG 68.
Important
La température du drain du carter est influencée par la pression et la vitesse d'entrée et est toujours supérieure à la température du réservoir.
Cependant, la température ne doit en aucun point dépasser 90 °C du composant. La différence de température indiquée à gauche doit être prise en compte pour déterminer la viscosité du roulement.
Si les conditions ci-dessus ne peuvent pas être respectées en raison de paramètres de fonctionnement extrêmes, veuillez nous contacter.
Filtration du fluide hydraulique
Plus la filtration est fine, meilleur est le niveau de propreté du fluide hydraulique et plus longue est la durée de vie de l'unité à pistons axiaux.
Afin de garantir la fiabilité fonctionnelle de l'unité à pistons axiaux, il est nécessaire d'effectuer une évaluation gravimétrique du fluide hydraulique pour déterminer la contamination particulaire et le niveau de propreté selon la norme ISO 4406.
Un niveau de propreté d’au moins 20/18/15 doit être maintenu.
À des températures de fluide hydraulique très élevées (90℃ à 115℃ maximum), un niveau de propreté d'au moins 19/17/14 selon la norme ISO 4406 est nécessaire.
Si les niveaux de propreté ci-dessus ne peuvent pas être maintenus, contactez-nous.
Viscosité et température des fluides hydrauliques
| Viscosité | Joint d'arbre | Température 3) | Commentaire | |
| Démarrage à froid | Vmax ≤1600 mm2/s | NBR 2) FKM | θSt ≥ -40℃ θSt ≥ -25℃ | t ≤3 min, sans charge (P ≤ 50 bar) n≤1000 tr/min Différence de température admissible entre l'unité à pistons axiaux et le fluide hydraulique dans le système : maximum 25 K |
| Phase d'échauffement | V = 1600~400 mm2/s | t ≤15 min,P ≤0,7*P nom et n ≤ 0,5*n nom | ||
Continu opération | V = 400~10 mm2/s1) | NBR 2) FKM | θ= +85℃ T = +110℃ | mesuré au port L, L1 |
| V = 36~16 mm2/s | Plage de viscosité et d'efficacité de fonctionnement optimales | |||
À court terme opération | V = 10~7 mm2/s | NBR 2) FKM | θ = +85℃ θ = +110℃ | t ≤ 3 min, P ≤ 0,3*P nom mesuré au port L, L1 |
1) Correspond par exemple pour VG 46 à une plage de température de +4 °C à +85 °C (voir schéma de sélection)
2) Version EA10VSO...-P (en cas de fonctionnement avec des fluides hydrauliques HFA, HFB et HFC)
3) Si la température aux paramètres de fonctionnement extrêmes ne peut pas être respectée, veuillez nous contacter
Diagramme de sélection
Instructions générales
La pompe HD-A2FO est conçue pour être utilisée en circuit ouvert. Le moteur HD-A2FM/E est conçu pour être utilisé en circuit ouvert et fermé.
La planification du projet, l'installation et la mise en service de l'unité à pistons axiaux nécessitent l'intervention de personnel qualifié.
Avant d'utiliser l'unité à pistons axiaux, veuillez lire entièrement et attentivement le manuel d'instructions correspondant.
Pendant et peu après l'utilisation, il existe un risque de brûlure sur l'unité à pistons axiaux. Prenez les mesures de sécurité appropriées (par exemple, en portant des vêtements de protection).
En fonction des conditions de fonctionnement de l'unité à pistons axiaux (pression de service, température du fluide), la caractéristique peut se décaler.
Ports de ligne de service
Les ports et les filetages de fixation sont conçus pour la pression maximale spécifiée.
Le fabricant de la machine ou de l'installation doit s'assurer que les éléments de raccordement et les conduites correspondent aux conditions d'application spécifiées (pression, débit, fluide hydraulique, température) avec les facteurs de sécurité nécessaires.
Les ports de ligne de service et les ports de fonction ne peuvent être utilisés que pour accueillir des lignes hydrauliques.
Les données et notes contenues dans le présent document doivent être respectées.
Le produit n'est pas homologué comme composant du concept de sécurité d'une machine générale selon la norme ISO 13849.
Les couples de serrage suivants s'appliquent
Raccords
Respecter les instructions du fabricant concernant les couples de serrage des raccords utilisés
Boulons de montage
Pour les boulons de montage avec filetage métrique ISO selon DIN 13 ou avec filetage selon ASME B1.1, nous recommandons de vérifier le couple de serrage au cas par cas conformément à la norme VDI 2230.
Filetages femelles dans l'unité à pistons axiaux
Les couples de serrage maximaux admissibles MG max sont des valeurs maximales pour les filetages femelles et ne doivent pas être dépassés. Pour connaître ces valeurs, consultez le tableau suivant.
Bouchons filetés
Pour les bouchons filetés métalliques fournis avec l'unité à pistons axiaux, les couples de serrage requis pour les bouchons filetés MV s'appliquent. Pour les valeurs, voir le tableau suivant.
| Ports | Couple de serrage maximal admissible des filetages femelles M Gmax | Serrage requis couple de la bouchons filetés Mv1) | six pans creux dans le bouchons filetés WAF | |
| Standard | Taille du fil | |||
| DIN 3852 | M8 x 1 | 10 Nm | 7 Nm | 3 mm |
| M10 x 1 | 30 Nm | 12 Nm | 5 mm | |
| M12 x 1,5 | 50 Nm | 25 Nm 2) | 6 mm | |
| M14 x 1,5 | 80 Nm | 35 Nm | 6 mm | |
| M16 x 1,5 | 100 Nm | 50 Nm | 8 mm | |
| M18 x 1,5 | 140 Nm | 60 Nm | 8 mm | |
| M22 x 1,5 | 210 Nm | 80 Nm | 10 mm | |
| M26 x 1,5 | 230 Nm | 120 Nm | 12 mm | |
| M27 x 2 | 330 Nm | 135 Nm | 12 mm | |
| M33 x 2 | 540 Nm | 225 Nm | 17 mm | |
| M42 x 2 | 720 Nm | 360 Nm | 22 mm | |
| DIN ISO 228 | G1/4” | 40 Nm | - | - |
Note
1) Les couples de serrage s'appliquent pour les vis à l'état « sec » à la livraison et à l'état « légèrement huilé » à l'installation.
2) A l'état « légèrement huilé », le MV est réduit à 10 Nm pour M10 x 1 et 17 Nm pour M12 x 1,5.
Le produit est durable et fonctionne très bien.





























