該產品的品質非常好,超過了行業標準。
產品描述
| 變數排氣量幫浦 A7V 用於開式迴路,軸向錐形活塞,彎軸設計 | RC92100/12.2004 | ||
| 尺寸 20-500 | 峰值壓力高達40MPa | 替換RC92100/09.2003 | |
特殊功能
系列 1
高效能旋轉組具有成熟的球形控制區域,具有以下優點:自動定心、低圓週速度、高效率。
使用壽命長的堅固滾動軸承。
驅動軸將支撐徑向負荷。
低噪音水平。
適用於間歇性高壓操作的高強度滾柱軸承。
對於連續工作,可使用靜壓軸承。
科技數據
1) 所示值適用於吸入口 S 的絕對壓力 Vgmax 以及使用礦物油運轉時的情況。
2) 以容積效率97%計算。
3) 即使在更高負載下,也不得超過圖示的0.15MPa時的最大轉速。然而,對於Vgmin>o的規格,可以透過降低排氣量(Vg < Vgmax)並在保持最大流量的前提下,將最大轉速提高到Vgmin>o規格的相應值。相關規格為28-20、55-40、80-85、107-78、160-117。
允許轉速nperm和吸入壓力Pabs可從諾模圖上讀取。但必須考慮最大轉速(見表)以及最小和最大吸入壓力。
例: 已知:尺寸 55D 驅動器轉速 2700r/min 需求:吸入口處的壓力 Pabs。
解:在 nperm 比例尺上朝尺寸 55 所繪製的線 1 與連接埠 A 的線相交。從點 A 到點 B(開路)的線 11 所得的結果為 Pabs=0.117Mpa
入口工作壓力 S 口絕對壓力:
Pabs min----0.08MPa: Pabs max---0.2MPa
出口側工作壓力範圍:
公稱壓力--PN=35MPa:峰值壓力--Pmax=40MPa
流體溫度範圍:
P min--------0.25℃: P max----+80℃
黏度範圍:
Vmin--10mm2/s;Vmax--(短時間)10mm2/s
最佳工作黏度:Vopt--16-36mm2/s
流體推薦;操作建議黏度等級溫度符合DIN 51519範圍ISO(VG)在40℃
| 40--50°C | VG32 • 32平方毫米/秒 |
| 50—60°C | VG46 • 46平方毫米/秒 |
| 60—70°C | VG68 • 68平方毫米/秒 |
| 70—80°C | VG100 - 100平方毫米/秒 |
液壓油過濾
建議過濾 10μm 可以進行 25-40μm 的粗過濾,但由於組件磨損最低,使用 10μm 過濾可實現更長的組件壽命。
安裝位置
可選,泵殼必須始終充滿油。
安裝在罐內時,必須將R口的堵頭取下,且該口必須位於頂部。 90°彎管必須旋入(降低噪音)。注意:
垂直安裝,驅動軸向上:此種情況下,必須訂購帶有油口S、U1和U2的型號(請用文字清晰地註明:帶油口U1和U2)。最低油位不得低於“A”線,如圖1所示。
安裝在水箱外部時,必須在調試前將泵浦的 U1 或 U2 連接埠放氣。
安裝在油箱頂部 將 A7V 變數幫浦安裝在油箱上方必須視為特殊幫浦安裝,並且只能在特定條件下實現。
訂購安裝在水箱頂部的幫浦時,請用清晰的文字說明:「用於水箱上方安裝°
此安裝要求吸入口位於頂部,吸入管盡可能短,且管端至少低於最低油位 200 毫米,請參閱圖 2。
吸入幫浦的橫斷面尺寸應確保壓力流體的流速在 0.8 至 1m/s 之間。
| 尺寸 | 最高轉速r/min | 吸管最大長度Lmax(mm) | 最大轉速(轉/分) | nE=1450(轉/分) |
| 20 | 3610 | 600 | 41.8 | 26.5 |
| 28 | 2660 | 600 | 42 | 31 |
| 40 | 3040 | 750 | 53.6 | 37 |
| 55 | 2240 | 750 | 53.8 | 43.3 |
| 58 | 2700 | 750 | 61.3 | 45 |
| 80 | 2015 | 750 | 61.6 | 52.3 |
| 78 | 2410 | 750 | 66.6 | 51.6 |
| 107 | 1800 | 750 | 67.5 | 60.5 |
| 117 | 2125 | 850 | 76.6 | 63.3 |
| 160 | 1565 | 850 | 77 | 74 |
尺寸 250-500
計算吸入口 S 處的入口壓力 Pabs 以及速度增加時排氣量的減少。
液壓行程限制器需要先導壓力(端口 X1)至少為工作壓力的 10%。端口 X1 處的最大允許壓力 = 20MPa(適用於所有尺寸),如果需要在工作壓力 < 5MPa 時限制流量,則必須在端口 X2 處施加最小 5MPa 的增壓壓力(在端口 X1 處,最小 O%=0.5MPa)
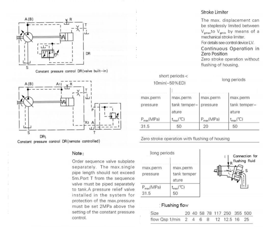
帶液壓行程限制器的恆壓控制低壓
對於所有尺寸,Vgmin=0
壓力切斷是一種疊加在恆定HP控制上的恆定壓力控制,透過順序閥進行。當達到設定的最大壓力(調節範圍高達315MPa)時,閥門打開,流量自動減少到Q=0。順序閥與幫浦分開安裝在一個底板(遠端控制)的任何合適位置。
單根管子的最大長度不得超過 5 公尺。順序閥和底板需另外訂購。
當使用具有壓力切斷的恆定HP控制時,泵浦的控制時間將比使用恆定壓力控制DR時長約3倍。重要:順序閥和先導油回油管T1的端口T必須直接連接到油箱(冷卻器)。連續
零位操作請參閱恆壓控制 DR。
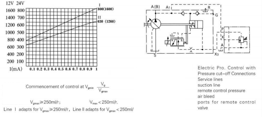
負載感測閥是一種流量控制閥,它根據負載壓力來調節泵浦排量,以滿足消費單位的要求。
泵浦流量受安裝在泵浦和被服務單元之間的外部節流閥(黑色,節流閥)的影響,曲線如圖所示。此閥門可比較節流閥前後的壓力,並維持節流閥前後的壓力,並保持節流閥兩端的壓力差(即節流閥兩端的壓力差 APJ,從而保持泵浦流量恆定)。如果壓力差 AP 增加,泵浦流量將回升至 Vgrnin;如果 AP 降低,泵浦流量將回升至 Vgmax,直到閥門內部恢復平衡。
變化:帶負載感測的恆壓控制
負載感測閥是一種流量控制閥,它根據負載壓力調節泵浦的排氣量,以滿足使用者單元的需求。泵浦流量受安裝在泵浦和服務單元之間的外部節流孔(控制閥,節流閥)的影響,但在功率曲線以下的整個範圍內不受負載壓力的影響。此閥比較節流孔前後的壓力,並維持節流孔前後的壓力,並保持整個介面的壓力降(壓差 AP)-從而保持泵浦流量恆定。如果壓力差 AP 增加,則泵浦向後旋轉至 Vgmirp;如果 AP 減小,則泵浦向外旋轉至 Vgmax,直到閥門恢復平衡。
AP=P泵浦-P服務單元
P 可在 14 bar 至 25 bar 範圍內設定。
標準設定為 18 bar(請以清晰的文字說明所需設定)。零行程操作孔關閉的待機壓力比 AP 設定值高約 2 bar。恆壓控制疊加在負載敏感閥上,即負載敏感功能在設定壓力以下運作。孔板不包含在標準供貨範圍內。
煞車控制
當工作壓力上升到設定壓力時,流量最大,扭力最大
機組尺寸 20-160 恆定 HP 控制
擁有專業團隊,可依客戶所需尺寸、款式提供量身訂做服務。






















































