Bu ürünün kalitesi mükemmel olup, sektör standartlarını aşmaktadır.
Ürün Açıklaması
| Değişken Deplasmanlı Pompa A7V Açık devreler, eksenel konik piston, eğik eksen tasarımı için | RC92100/12.2004 | ||
| Boyut 20-500 | 40MPa'ya kadar tepe basıncı | RC92100/09.2003'ü değiştirin | |
Özel Özellikler
1. seri
Kendini kanıtlamış küresel kontrol alanına sahip yüksek performanslı döner grup, aşağıdaki avantajları sunar; kendi kendini merkezleme, düşük çevresel hız, yüksek verimlilik.
Uzun ömürlü sağlam rulman.
Tahrik mili radyal yükleri destekleyecektir.
Düşük gürültü seviyesi.
Aralıklı yüksek basınç çalışması için yüksek dayanımlı makaralı rulman.
Sürekli çalışma için hidrostatik yataklama mevcuttur.
Teknik veriler
1) Gösterilen değerler, emme girişi S'de mutlak basınç olan ve mineral yağ ile çalıştırılan Vgmax için geçerlidir.
2) %97 hacimsel verimle hesaplanmıştır.
3) 0,15 MPa'da gösterilen maksimum hızlar, daha yüksek yüklemelerde bile aşılmamalıdır. Ancak, Vgmin>o olan boyutlarda, maksimum akış korunarak deplasman (Vg < Vgmax) azaltılarak maksimum hızlar Vgmin>o olan boyutlardaki değerlere yükseltilebilir. İlgili boyutlar 28-20, 55-40, 80-85, 107-78 ve 160-117'dir.
Nomograftan izin verilen hız (nperm) ve emiş basıncı (Pabs) değerleri okunabilir. Ancak, maksimum hızlar (tabloya bakınız) ve minimum ve maksimum emiş basınçları dikkate alınmalıdır.
Örnek: Verilen: 55D ebatında tahrik hızı 2700r/dak Gerekenler: Emiş girişindeki Pabs basıncı.
Çözüm: Ölçek nperm'de 55 boyutuna doğru çizilen 1. çizgi, A noktasından B noktasına (açık devre) doğruyu kesiyor. 11. çizgi, Pabs=0.117Mpa sonucunu veriyor.
Giriş Çalışma Basıncı S portundaki mutlak basınç:
Pabs min----0,08MPa: Pabs maks---0,2MPa
Çalışma Basınç Aralığı-Çıkış Tarafı:
Nominal basınç --PN=35MPa: Tepe basıncı --Pmax=40MPa
Sıvı Sıcaklık Aralığı:
P min-------0,25°C: P maksimum----+80°C
Viskozite Aralığı:
Vmin--10mm2/s; Vmax--(kısa süreler için)10mm2/s
Optimum çalışma viskozitesi:Vopt--16-36mm2/s
Sıvı önerisi; DIN 51519 aralığı ISO (VG) 40℃'de önerilen çalışma viskozite derecesi sıcaklığı
| 40--50°C | VG32 • 32mm2/S |
| 50—60°C | VG46 • 46mm2/S |
| 60—70°C | VG68 • 68mm2/S |
| 70—80°C | VG100 - 100mm2/S |
Hidrolik Sıvının Filtrasyonu
Önerilen filtrasyon 10μm Daha kaba filtrasyon 25-40μm mümkündür, ancak en düşük bileşen aşınması nedeniyle 10μm filtrasyon kullanılarak daha uzun bileşen ömrü elde edilecektir.
Montaj Pozisyonu
Opsiyonel olarak, Pompa gövdesi her zaman Yağ ile doldurulmalıdır.
Bir tankın içine monte edildiğinde, tapa R portundan çıkarılmalı ve bu port üstte olmalıdır. Vidalanacak boru 90℃ dirseği olmalıdır (gürültü azaltma). Not:
Tahrik mili yukarı bakacak şekilde dikey montaj: Bu durumda, S U1 ve U2 portlu bir model sipariş edilmelidir (açık metinle belirtin: U1 ve U2 portlu). Minimum yağ seviyesi, Şekil 1'de gösterildiği gibi "A" çizgisinin altına düşmemelidir.
Bir tankın dışına monte edildiğinde, pompanın devreye alınmadan önce U1 veya U2 portundan havasının alınması gerekir.
Tank Üstüne Montaj A7V değişken pompanın tank üstüne montajı özel bir pompa montajı olarak değerlendirilmeli ve yalnızca belirli koşullar altında gerçekleştirilmelidir.
Tank üstüne monte edilecek pompaları sipariş ederken, açıkça şunu belirtin: "Tank Üstü Montajı İçin Kullanılacaktır°
Bu montaj, emiş portunun üstte olmasını, emiş borusunun mümkün olduğunca kısa tutulmasını ve papanın ucunun minimum yağ seviyesinin en az 200 mm altında olmasını gerektirir, bkz. Şekil 2.
Emiş pompasının kesiti, basınç akışkanının akış hızının 0,8 ile 1 m/s arasında olmasını sağlayacak şekilde boyutlandırılmalıdır.
| Boyut | Maksimum hız d/dk | Emiş borusunun maksimum uzunluğu Lmax(mm) | nmax(devir/dakika) | nE= 1450( dev/dak) |
| 20 | 3610 | 600 | 41.8 | 26.5 |
| 28 | 2660 | 600 | 42 | 31 |
| 40 | 3040 | 750 | 53.6 | 37 |
| 55 | 2240 | 750 | 53.8 | 43.3 |
| 58 | 2700 | 750 | 61.3 | 45 |
| 80 | 2015 | 750 | 61.6 | 52.3 |
| 78 | 2410 | 750 | 66.6 | 51.6 |
| 107 | 1800 | 750 | 67.5 | 60.5 |
| 117 | 2125 | 850 | 76.6 | 63.3 |
| 160 | 1565 | 850 | 77 | 74 |
Boyut 250-500
Emme Girişindeki Giriş Basıncı Pabs'ın ve Artan Hızlarda Deplasmandaki Azalmanın Hesaplanması.
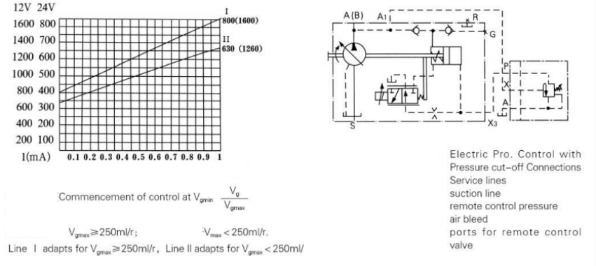
Hidrolik strok sınırlayıcı için çalışma basıncının en az %10'u oranında bir Pilot basıncı (X1 portu) gereklidir. X1 portundaki izin verilen maksimum basınç = 20 MPa'dır (tüm boyutlar için). Çalışma basıncı < 5 MPa'da akışın sınırlandırılması gerekiyorsa, X2 portuna (X1 portuna o zaman, mini O% = 0,5 MPa) en az 5 MPa'lık bir yükseltme basıncı uygulanmalıdır.
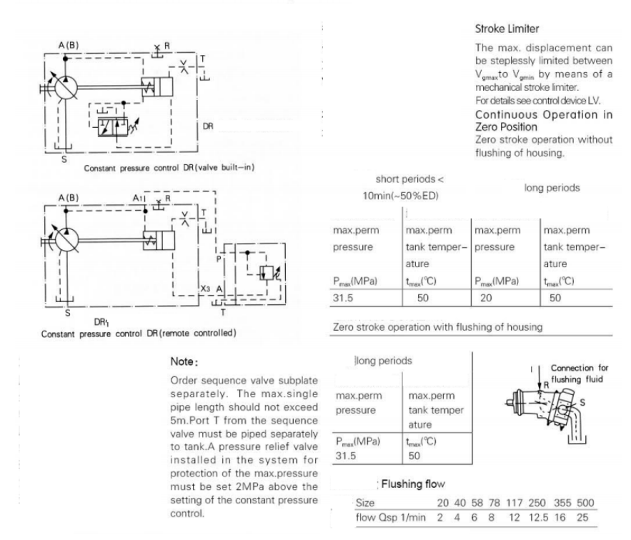
Hidrolik strok sınırlayıcılı sabit HP kontrolü LV
Tüm boyutlar için Vgmin=0 ile
Basınç kesme, sabit basınç kontrolü üzerine yerleştirilmiş sabit basınç kontrolüdür ve bir sıralı valf aracılığıyla gerçekleştirilir. Ayarlanan maksimum basınç ayar aralığına (315 MPa'ya kadar) ulaşıldığında valf açılır ve akış otomatik olarak Q=0'a düşürülür. Sıralı valf, pompadan ayrı olarak, uygun herhangi bir yere, bir alt plakaya (uzaktan kumanda) monte edilebilir.
Maksimum/tek boru uzunluğu 5 m'yi geçmemelidir. Vana ve alt plakayı ayrı ayrı sipariş edin.
Sabit HP kontrolü basınç kesintisiyle kullanıldığında, pompa kontrol süreleri, sabit basınç kontrolü DR ile elde edilen sürelerden yaklaşık 3 kat daha uzun olacaktır. Önemli: Sıralama valfinden T portu ve pilot Yağ dönüş hattı T1, doğrudan tanka (soğutucuya) bağlanmalıdır. Sürekli
Sıfır pozisyonunda çalıştırma için sabit basınç kontrolü DR'ye bakınız.
Yük algılama valfi, tüketici ünitesinin gereksinimini karşılamak için pompa deplasmanını düzenlemek amacıyla yük basıncına bağlı olarak çalışan bir akış kontrol valfidir.
Pompa akışı, pompa ile bakım yapılan ünite arasına yerleştirilmiş harici bir orifis (gaz kelebeği) tarafından etkilenir. Valf, orifis öncesi ve sonrası basıncı karşılaştırır ve orifis öncesi ve sonrası basıncı sabit tutar ve orifis boyunca basınç düşüşünü (APJ fark basıncı) ve dolayısıyla pompa akışını sabit tutar. Eğer diferansiyel basınç AP artarsa, pompa Vgrnin'e doğru şişer ve AP azalırsa, pompa Vgmax'a doğru şişer ve valf içinde bir denge sağlanana kadar bu böyle devam eder.
Varyasyon: Yük algılama ile Sabit Basınç kontrolü
Yük algılama valfi, tüketici ünitesinin gereksinimlerini karşılamak için pompa deplasmanını düzenlemek üzere yük basıncına bağlı olarak çalışan bir akış kontrol valfidir. Pompa akışı, pompa ile bakım ünitesi arasına yerleştirilmiş harici bir delikten (kontrol kolu, gaz kelebeği) etkilenir, ancak güç eğrisinin altındaki aralıkta yük basıncından etkilenmez. Valf, delikten önceki ve sonraki basıncı karşılaştırır ve delikten önceki ve sonraki basıncı sabit tutar. Delikten geçen basınç düşüşünü (AP fark basıncı) ve dolayısıyla pompa akışını sabit tutar. AP fark basıncı artarsa, pompa Vgmirp'ye doğru geri döner ve AP azalırsa, valf içinde bir denge sağlanana kadar pompa Vgmax'a doğru dışarı döner.
AP=Ppump -Pservis edilen ünite
P, 14 bar ile 25 bar aralığında ayarlanabilir.
Standart ayar 18 bar'dır (lütfen istenen ayarı açıkça belirtin). Sıfır stroklu çalışma için bekleme basıncı, AP ayarının yaklaşık 2 bar üzerindedir. Sabit basınç kontrolü, yük algılama valfinin üzerine yerleştirilmiştir; yani, yük algılama fonksiyonu ayarlanan basıncın altında çalışır. Orifis standart tedarik kapsamında değildir.
Fren kontrolü
Çalışma basıncı ayar basıncına ulaştığında akış maksimum olur ve tork maksimum olur
Ünite boyutları 20-160 Sabit HP kontrolü
Müşterinin istediği ölçü ve stile göre kişiye özel hizmet sunmak için profesyonel bir ekibe sahiptir.






















































