客戶能夠獲得最好的服務
BMT/OMT系列液壓馬達產品詳情
採用先進的齒輪組設計,具有盤式分配流量和高壓。該裝置可根據應用要求提供操作多功能的單獨變體。
訂購資訊
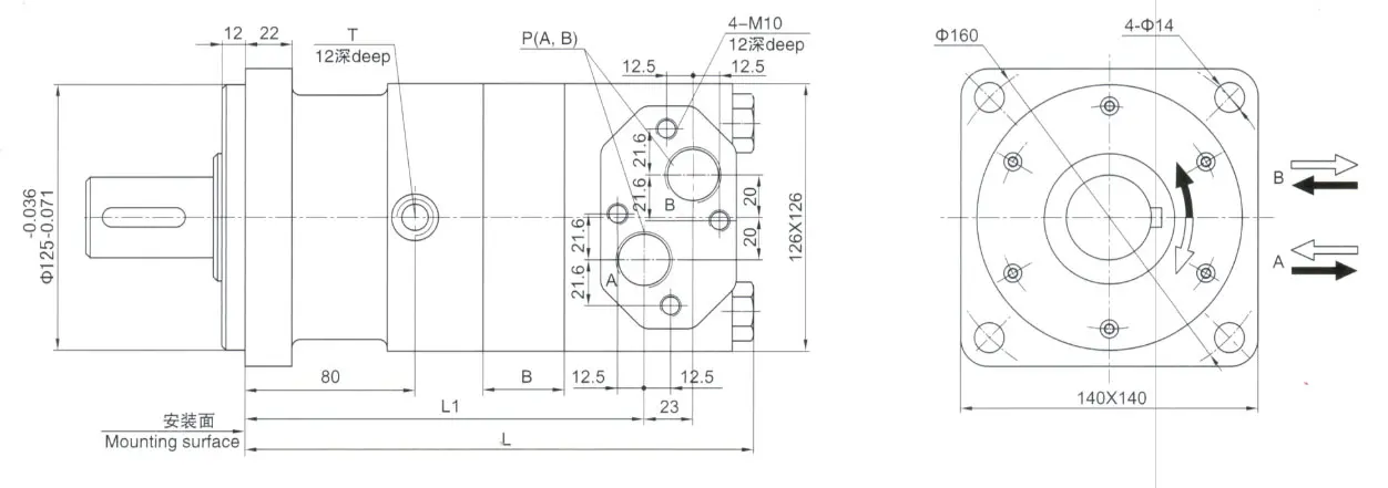
| 產品編號 | 位移 (CCM) | 安裝法蘭 (MM) | 軸 (MM) | 連接埠尺寸 | 排水口 | 軸端螺紋 | 安裝 孔 | 油口形狀 | 平行鍵寬度(MM) |
| BMT/OMT | 160/200/230/250/315/400/500/630/800 | 125/127 | 40 | G3/4 | G1/4 | M8 | 4 | 秒 | 12 |
特性特徵:
*齒輪組製造設備先進,啟動壓力低,運作平穩可靠,效率高。
*先進的分配流量設計,運轉時能自動補償,容積效率高,壽命長,運轉平穩可靠。
*輸出軸採用圓錐滾子軸承,可承受較高的軸向力和徑向力,在廣泛的應用中可提供高壓和高扭矩的能力。
主要規格:
類型 | BMT 160 | BMT 200 | BMT 230 | BMT 250 | BMT 315 | BMT 400 | BMT 500 | BMT 630 | BMT 800 | |
幾何排氣量(cm 3 /轉) | 161.1 | 201.4 | 232.5 | 251.8 | 326.3 | 410.9 | 523.6 | 629.1 | 801.8 | |
最高轉速(rpm) | 額定 | 470 | 475 | 412 | 381 | 294 | 228 | 183 | 150 | 121 |
連續的 | 625 | 625 | 536 | 500 | 380 | 305 | 240 | 196 | 154 | |
間歇性 | 780 | 750 | 643 | 600 | 460 | 365 | 285 | 233 | 185 | |
最大扭力(Nm) | 額定 | 379 | 471 | 530 | 582 | 758 | 896 | 1063 | 1156 | 1207 |
連續的 | 470 | 590 | 670 | 730 | 950 | 1080 | 1220 | 1318 | 1464 | |
間歇性 | 560 | 710 | 821 | 880 | 1140 | 1260 | 1370 | 1498 | 1520 | |
尖峰 | 669 | 838 | 958 | 1036 | 1346.3 | 1450.3 | 1643.8 | 1618.8 | 1665 | |
最大輸出功率(KW) | 額定 | 18.7 | 23.4 | 23.2 | 23.2 | 23.2 | 21.4 | 20.4 | 18.2 | 15.3 |
連續的 | 27.7 | 34.9 | 34.7 | 34.5 | 34.9 | 31.2 | 28.8 | 25.3 | 22.2 | |
間歇性 | 32 | 40 | 40 | 40 | 40 | 35 | 35 | 27.5 | 26.8 | |
最大壓力差(Mpa) | 額定 | 16 | 16 | 16 | 16 | 16 | 15 | 14 | 12 | 10.5 |
連續的 | 20 | 20 | 20 | 20 | 20 | 18 | 16 | 14 | 12.5 | |
間歇性 | 24 | 24 | 24 | 24 | 24 | 21 | 18 | 16 | 13 | |
尖峰 | 28 | 28 | 28 | 28 | 28 | 24 | 21 | 19 | 16 | |
最大進水量(L/min) | 額定 | 80 | 100 | 100 | 100 | 100 | 100 | 100 | 100 | 100 |
連續的 | 100 | 125 | 125 | 125 | 125 | 125 | 125 | 125 | 125 | |
間歇性 | 125 | 150 | 150 | 150 | 150 | 150 | 150 | 150 | 150 | |
最大入口壓力(MPa) | 額定 | 21 | 21 | 21 | 21 | 21 | 21 | 21 | 21 | 21 |
連續的 | 21 | 21 | 21 | 21 | 21 | 21 | 21 | 21 | 21 | |
間歇性 | 25 | 25 | 25 | 25 | 25 | 25 | 25 | 25 | 25 | |
尖峰 | 30 | 30 | 30 | 30 | 30 | 30 | 30 | 30 | 30 | |
重量(公斤) | 19.5 | 20 | 20.4 | 20.5 | 21 | 22 | 23 | 24 | 25 | |
持續壓力:馬達連續運轉的最大值
間歇壓力:每分鐘6秒內馬達運轉的最大值。
峰值壓力:每分鐘0.6秒內馬達運轉的最大值。
由專業設計師設計,比業界其他產品更獨特。


















