Pelanggan dapat memperoleh layanan terbaik di
Detail Produk Motor Hidrolik Seri BMT/OMT
Sesuaikan desain set roda gigi canggih dengan aliran distribusi cakram dan tekanan tinggi. Unit dapat dipasok varian individual dalam pengoperasian multifungsi sesuai dengan kebutuhan aplikasi.
Informasi Pemesanan
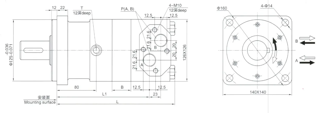
| Produk NO | Pemindahan (CCM) | Flensa Pemasangan (MM) | Batang (MM) | Ukuran Port | Port Pembuangan | Ulir ujung poros | Pemasangan lubang | Bentuk Port Minyak | Lebar kunci paralel (MM) |
| BMT/OMT | 160/200/230/250/315/400/500/630/800 | 125/127 | 40 | G3/4 | G1/4 | M8 | 4 | S | 12 |
Fitur karakteristik:
*Perangkat manufaktur canggih untuk rangkaian roda gigi geroler, yang menggunakan tekanan rendah saat start-up, memberikan operasi yang lancar dan andal serta efisiensi tinggi.
*Desain canggih dalam aliran distribusi, yang secara otomatis dapat mengimbangi pengoperasian dengan efisiensi volume tinggi dan umur panjang, memberikan pengoperasian yang lancar dan andal.
*Poros keluaran beradaptasi pada bantalan rol tirus yang memungkinkan gaya aksial dan radial yang tinggi. Dapat menawarkan kapasitas tekanan tinggi dan torsi tinggi dalam berbagai aplikasi.
Spesifikasi Utama:
Jenis | BMT 160 | BMT 200 | BMT 230 | BMT 250 | BMT 315 | BMT 400 | BMT 500 | BMT 630 | BMT 800 | |
Perpindahan geometris (cm 3 /rev.) | 161.1 | 201.4 | 232.5 | 251.8 | 326.3 | 410.9 | 523.6 | 629.1 | 801.8 | |
Kecepatan maks. (rpm) | Dinilai | 470 | 475 | 412 | 381 | 294 | 228 | 183 | 150 | 121 |
Kontinu | 625 | 625 | 536 | 500 | 380 | 305 | 240 | 196 | 154 | |
Berselang | 780 | 750 | 643 | 600 | 460 | 365 | 285 | 233 | 185 | |
Torsi maks.(Nm) | Dinilai | 379 | 471 | 530 | 582 | 758 | 896 | 1063 | 1156 | 1207 |
Kontinu | 470 | 590 | 670 | 730 | 950 | 1080 | 1220 | 1318 | 1464 | |
Berselang | 560 | 710 | 821 | 880 | 1140 | 1260 | 1370 | 1498 | 1520 | |
Nilai puncak | 669 | 838 | 958 | 1036 | 1346.3 | 1450.3 | 1643.8 | 1618.8 | 1665 | |
Output Maksimum (KW) | Dinilai | 18.7 | 23.4 | 23.2 | 23.2 | 23.2 | 21.4 | 20.4 | 18.2 | 15.3 |
Kontinu | 27.7 | 34.9 | 34.7 | 34.5 | 34.9 | 31.2 | 28.8 | 25.3 | 22.2 | |
Berselang | 32 | 40 | 40 | 40 | 40 | 35 | 35 | 27.5 | 26.8 | |
Perbedaan tekanan maks (Mpa) | Dinilai | 16 | 16 | 16 | 16 | 16 | 15 | 14 | 12 | 10.5 |
Kontinu | 20 | 20 | 20 | 20 | 20 | 18 | 16 | 14 | 12.5 | |
Berselang | 24 | 24 | 24 | 24 | 24 | 21 | 18 | 16 | 13 | |
Nilai puncak | 28 | 28 | 28 | 28 | 28 | 24 | 21 | 19 | 16 | |
Masukan maks.(L/menit) | Dinilai | 80 | 100 | 100 | 100 | 100 | 100 | 100 | 100 | 100 |
Kontinu | 100 | 125 | 125 | 125 | 125 | 125 | 125 | 125 | 125 | |
Berselang | 125 | 150 | 150 | 150 | 150 | 150 | 150 | 150 | 150 | |
Tekanan masuk maks. (MPa) | Dinilai | 21 | 21 | 21 | 21 | 21 | 21 | 21 | 21 | 21 |
Kontinu | 21 | 21 | 21 | 21 | 21 | 21 | 21 | 21 | 21 | |
Berselang | 25 | 25 | 25 | 25 | 25 | 25 | 25 | 25 | 25 | |
Nilai puncak | 30 | 30 | 30 | 30 | 30 | 30 | 30 | 30 | 30 | |
Berat (Kg) | 19.5 | 20 | 20.4 | 20.5 | 21 | 22 | 23 | 24 | 25 | |
Tekanan kontinu: Nilai maksimum motor yang beroperasi terus menerus
Tekanan terputus-putus: Nilai maksimum motor yang beroperasi dalam 6 detik per menit.
Tekanan puncak: Nilai maksimum motor yang beroperasi dalam 0,6 detik per menit.
Dirancang oleh desainer profesional, lebih unik daripada produk lain di industri ini.


















