產品每一道工序的檢驗,是其卓越性能的保證。
產品描述
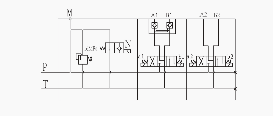
CF系列閥門可用於農業、衛生和建築機械,內置單向鎖和防污染直動式溢流閥
訂購代號
①額定流量:50~50L/min、10~100L/min
② 線軸數量:1-12
③ 進氣口尺寸:請參閱表(1)
④ 洩壓閥設定壓力:150-250 bar
⑤ 閥芯類型:見表(2)
⑥ 工作口尺寸:見表(1)
⑦ 電磁鐵類型:見表(3)
⑧ 電壓:12V,24V
⑨ 出油口尺寸:見表(1)
表 1

表 2

表 3

CF50電磁換向閥尺寸

液壓方案
技術嫻熟的QC團隊保證了該產品的品質。
















