Gerekli test aşamalarından geçen ürün, performans açısından mükemmeldir.
Ürün Açıklaması
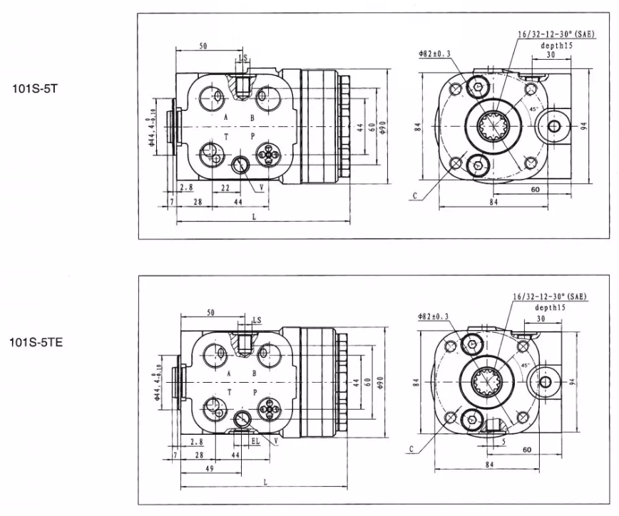
Chang Jia'nın hidrolik direksiyon ünitesi 101S, OSPC, OSPB, HKUS, 060, 101S-5E, 102S, 103S, BZZ-B vb.'dir.
Fonksiyonu: Direksiyondan direksiyon aktarma mekanizmasına iletilen kuvveti artırmak ve kuvvetin iletim yönünü değiştirmek.
Uygulama: Tarım makineleri, gemi yapım makineleri, bahçe makineleri, yol bakım makineleri, ormancılık makineleri, mühendislik makineleri ve madencilik makineleri gibi düşük hızlı ve ağır hizmet tipi araçlarda yaygın olarak kullanılır.
Sürücü daha az bir çalışma kuvvetiyle daha fazla direksiyon kuvveti kontrolü elde edebilir, performans güvenli ve güvenilir, kullanım ise hafif ve esnektir.
101S/OSP TEKNİK VERİLERİ
TİP | Yerinden edilme (ml/r) | Maksimum giriş hızı (rpm) | Maksimum giriş Basınç (Mpa) | Max.cont.Back. Basınç (Mpa) | LS Emniyet valfi basıncı (MPa) | Aşırı yük valfi basınç (MPa) | Uzunluk (mm) | Ağırlık(kg) |
| 101S-50 | 50 | 100 | 17.5 | 2.5 | 6~17.5 | 12~23.5 | 131 | 5.4 |
| 101S-63 | 63 | 100 | 17.5 | 2.5 | 6~17.5 | 12~23.5 | 133 | 5.5 |
| 101S-80 | 80 | 100 | 17.5 | 2.5 | 6~17.5 | 12~23.5 | 135 | 5.6 |
| 101S-100 | 100 | 100 | 17.5 | 2.5 | 6~17.5 | 12~23.5 | 138 | 5.7 |
| 101S-125 | 125 | 100 | 17.5 | 2.5 | 6~17.5 | 12~23.5 | 141 | 5.9 |
| 101S-160 | 160 | 100 | 17.5 | 2.5 | 6~17.5 | 12~23.5 | 146 | 6.0 |
| 101S-200 | 200 | 100 | 17.5 | 2.5 | 6~17.5 | 12~23.5 | 151 | 6.2 |
| 101S-250 | 250 | 100 | 17.5 | 2.5 | 6~17.5 | 12~23.5 | 157 | 6.5 |
| 101S-280 | 280 | 75 | 17.5 | 2.5 | 6~17.5 | 12~23.5 | 162 | 6.6 |
| 101S-315 | 315 | 75 | 17.5 | 2.5 | 6~17.5 | 12~23.5 | 167 | 6.9 |
| 101S-400 | 400 | 75 | 17.5 | 2.5 | 6~17.5 | 12~23.5 | 177 | 7.2 |
Ürün uzun ömürlü performans ve dayanıklılık açısından hiçbir zaman başarısızlığa uğramadı.























