ChangJia bénéficie d'une conception raisonnable par rapport au type traditionnel.
Description du produit
Détails du produit
Modèle | Débit nominal | Max | Opérationnel | Viscosité min. | Viscosité maximale | Température ambiante | Structure |
DS15 | 60 L/min | 315 bars | 15-75 mm²/s | 12 mm²/s | 400 mm²/s | (-40-80°C) | Monobloc : 1 à 12 sections |
Vanne de régulation directionnelle DS15
Les séries DS15 sont des vannes de contrôle directionnelles sectionnelles économiques avec diverses applications et caractéristiques de structure compacte, de performances stables, de prix bas et d'universalité élevée.
Type de contrôle : manuel, câble, solénoïde, pneumatique, électrohydraulique, etc.
Type de circuit : parallèle
Structure : sectionnelle, 1 à 12 sections
Code de commande :
①Nombre de sections : 1 à 12
②Pression de réglage de la soupape de décharge : 100- -250 bar
③Taille de l'orifice d'entrée : voir le tableau (1)
④Type de contrôle : voir tableau (2)
⑤Type de bobine : voir tableau (3)
6. Type de retour de bobine : voir tableau (4)
⑦Taille du port de travail : voir le tableau (1)
⑧Taille du port de sortie : voir tableau (1)
Tableau 1

Tableau 2

Tableau 3

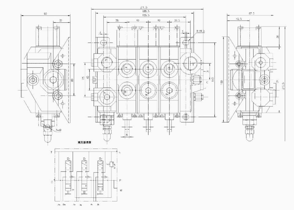
Dimensions

Grâce à des années de production professionnelle, ChangJia a gagné la grande confiance des clients et a un brillant avenir d'application.
















